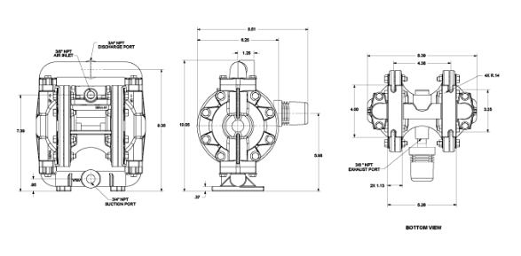
Khách hàng trên toàn thế giới tin sử dụng bơm màng khí nén Versamatic’s ¾" (19mm) cho ứng dụng bôi trơn, hệ thống OEM và nhiều ứng dụng trong công nghiệp. The portable ¾" AODD pump features leak-free bolted construction, shares standardized parts with the ½" pump line and is designed to make maintenance simple and cost-effective.
Bơm màng khí nén bằng kim loại nhôm ¾" (19mm) (AODD) của Versamatic để sử dụng đáng tin cậy trong bôi trơn, bơm lốp, phân phối keo dán, hệ thống OEM và nhiều ứng dụng công nghiệp khác. Với thiết kế van khí không bị dừng, không cần bôi trơn đã được cấp bằng sáng chế.
Bơm AODD của Versamatic có thể xử lý hiệu quả nhiều loại chất lỏng khác nhau, từ nước đến các sản phẩm có độ nhớt hoặc mài mòn.
Bơm AODD của Versamatic có thể xử lý hiệu quả nhiều loại chất lỏng khác nhau, từ nước đến các sản phẩm có độ nhớt hoặc mài mòn.
- Kết cấu chống rò rỉ
- Giảm thời gian dừng và đảm bảo hoạt động liên tục
- Được thiết kế để bảo trì đơn giản và tiết kiệm chi phí
- Có lưu lượng tối đa là 12 gpm (45 lpm)
- Bao gồm một phần khí chống ăn mòn
- Có độ tin cậy on/off ổn định
- Kết cấu bền và lâu dài
- Các kiểu màng ngăn có tuổi thọ cao để lựa chọn
- Bảo trì đơn giản, chi phí thấp



